JT-1静态同步检查继电器-上海上继科技有限公司
发表时间:2019-11-27 13:47 浏览次数:1166 〖返回〗
一、JT-1同步检查继电器技术条件
1.整定范围
纯相位监测: 5°-175°
电压矢量检査型: 0V~99V
2.触点容量 250VAC COSCP=1.0 5A
合闸 250VDC 5A
分闸 250VDC T=5mS 50W
3.触点寿命 电寿命不低于10万次;机械寿命不低于100万次。
4.介质强度 继电器各导电端子连在一起,对外露非带电部分或外壳之间能承受2000V(有效值) 50Hz的交流电压历时1分钟
试验而绝缘击穿或飞弧现象。
5. 绝缘电阻 继电器各导电端子连在一起,对外露非带电部分或外壳之间,用开路电压为500V的、兆欧表测量其绝缘电阻不小于
300M0。
6.工作环境 温度-10°C~+50°C,相对湿度不大于90% ,海拔高度不大于2000M。
二、JT-1静态同步检查继电器使用方法
本继电器的输入电压的两个线( U1、 U2都是如此)不能随意颠倒次序。其原因先说明如下:
以图二(a)为准,则如U2两根线颠倒次序的话,曲线将图二( b)所示。按图二(a)接线测得为0角的话,则技国二( b)接线就是180°-(1)角了。所以用户现场接线时,**能找到公共端接在②、⑧脚。若是找不到公共端,则在现场试验时,先可任意接好,测试继电器是否能正常动作,若是不能正常动作,将U2的两根线交换位置即可。

三、JT-1静态同步检查继电器应用范围
JT-1同步检查继电器用于两端供电线路的自动重合闸线路中,以检查线路上电压的存在及线路上和变电站汇流排上电压向量间的相差角。
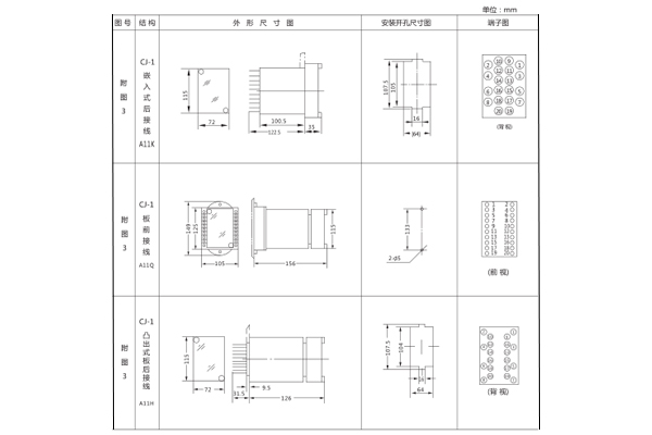
四、JT-1静态同步检查继电器开孔尺寸

公司介绍:上海上继科技有限公司是一家专业从事电力系统继电保护及智能电网电力自动化产品的研发、设计、生产、销售和服务为一体的高科技公司。拥有资深继电保护专家团队和国内**的检测仪器及校验设备。同时还引用国内外先进技术,来进行技术创新。本公司的产品广泛用于电力、工矿、铁路、建筑等国家重大工程输配变电系统上,产品远销东南亚及中东地区。产品通过国家继电保护及自动化设备质量监督检验中心检测,获得ISO9001国际质量体系认证。“科技创新,诚信务实”是公司的经营理念,本公司以高超的技术支持和对用户高度负责的售后服务赢得了输配电成套企业的信赖,且树立了良好的信誉。
上海上继科技有限公司(专注电力保护继电器生产厂家)销售热线:021-57233089 QQ:1932551438
{以上内容仅供参考,上海上继科技有限公司有最终解释权}
更多继电器精彩文章——JWL-13电流继电器主要用途及产品价格
- 上一篇:JT-1同步检查继电器
- 下一篇:JT-3同步检查继电器





